L322 AN wartelhaak met klep Crosby Gr. 8

Kenmerken:
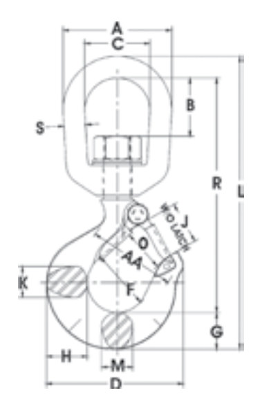
De hijshaken bevatten markeringen die in het product zijn gesmeed en die zijn gericht op twee (2) QUIC-CHECK®-kenmerken:
• Vervormingsindicatoren - Twee strategisch geplaatste markeringen, één vlak onder de schacht of het oog en de andere op de punt van de haak, waardoor een QUIC-CH

Toon meer

Artikelcode:

Kenmerken:
De hijshaken bevatten markeringen die in het product zijn gesmeed en die zijn gericht op twee (2) QUIC-CHECK®-kenmerken:
• Vervormingsindicatoren - Twee strategisch geplaatste markeringen, één vlak onder de schacht of het oog en de andere op de punt van de haak, waardoor een QUIC-CHECK®-meting mogelijk is om te bepalen of de haakopening is veranderd, wat wijst op misbruik of overbelasting.
• Hoekindicatoren - geeft de maximale hoek aan die is toegestaan ​​tussen twee aanslagmiddelen zoals hijsbanden of kettinglengen etc.  in de haak. Deze indicatoren bieden ook de mogelijkheid om andere hoeken tussen twee aanslagmiddelen te benaderen.


Model L-322 - Haak met klep = Standaard model (ook weergegeven)

  • Materiaal: Staal grade 8
  • Markering: CE
  • Waarschuwing: De wartelhaak is niet bedoeld om de haak onder belasting te roteren.
  • Veiligheidsfactor: 4:1
  • Grade: 8