Elektrische MWC wormwiel - treklier

Zelfremmende Elektrische wormwiel- treklier met capaciteiten van 250 t/m 2800 kg. Optioneel ook verkrijgbaar als hijslier.

De MCW serie elektrische zelfremmende wormwiellieren, ontwikkeld voor het trekken en verplaatsen van zware lasten tot 2800 kg. Door de zelfremmende wormielkast zijn de

Toon meer

Artikelcode:

Zelfremmende Elektrische wormwiel- treklier met capaciteiten van 250 t/m 2800 kg. Optioneel ook verkrijgbaar als hijslier.

De MCW serie elektrische zelfremmende wormwiellieren, ontwikkeld voor het trekken en verplaatsen van zware lasten tot 2800 kg. Door de zelfremmende wormielkast zijn de lieren geschikt voor het optrekken van lasten op een helling. 

Voor hijstoepassingen is optioneel is een motorrem beschikbaar. Deze maakt een nauwkeurige positionering of repeterende hijs-toepassingen tot 2000 kg mogelijk.
Geef in het opmerkingen veld bij uw aanvraag aan als u de lier voor hijsdoeleinden wilt gebruiken.

Standaard eigenschappen:

  • Zelf remmende wormwielkast.
  • IP 54 aluminium ongeremde motor
  • Stalen ongegroefde kabeltrommel.
  • Éenzijdige ondersteuning trommel (MCW 200, EN MCW 250).
  • Tweezijdige ondersteuning trommel (alle andere modellen).
  • 2 componenten conservering, 2 lagen, kleur RAL 5010.

Optioneel o.a.:

  • Motor-rem voor een nauwkeurige controle of repeterende hijstoepassingen (tot 2000kg).
  • IP56 TENV gietijzeren motor voor offshore toepassing..
  • Andere motoren zoals, 220 V AC, 1 Phase motor of 24V DC motor.
  • Explosie-vrije motoren.
  • Alternatieve snelheden en trommelafmetingen/capaciteiten.
  • Stalen beschermkap motor.
  • trommel kap.
  • Kabel Aandrukrol.
  • Nood-handaandrijving.
  • eindafslagen.
  • lastbegrenser (verplicht vlgs CE vanaf WLL 1000 kg).
  • frequentieregelaar voor variabele snelheden.
  • div. besturings opties.
  • Opmerking: Geef in het opmerkingen veld bij uw aanvraag aan als u de lier voor hijsdoeleinden wilt gebruiken.
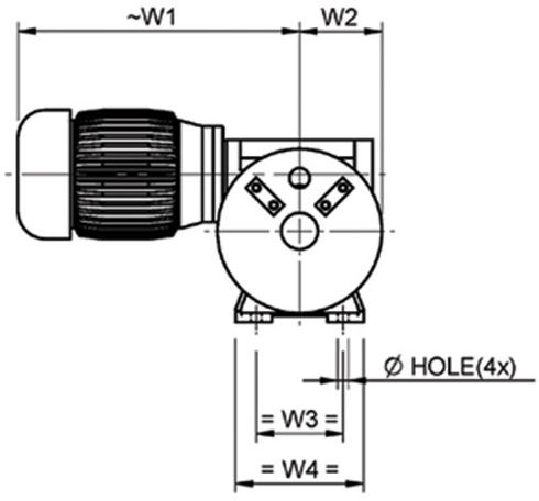
Type
Gewicht
Afmetingen (mm)
 
 
 
 
 
 
 
 
 
 
 
 
 
 
 
 
 
Code
kg
D1
D2
L1
L2
L3
L4
L5
L6
L7
H1
H2
H3
H4
W1
W2
W3
W4
Gat Ø
MCW 250
20
100
180
60
81
118
111
111
143
-
100
62
233
-
310
90
95
140
11,5
MCW 500
35
100
200
60
91
129
146
121
186
-
142
87
309
-
358
110
140
220
11,5
MCW 750
55
100
200
150
104
500
187
320
150
15
10
142
87
320
358
110
270
240
13
MCW 1200
92
100
250
150
125,5
560
203
340
180
20
10
170
110
380
421
140
325
285
17
MCW 1700
140
121
280
200
146,5
640
232
415
185
20
15
195
130
443
492
154
370
320
17
MCW 2200
180
146
320
250
155
710
260
470
200
20
15
220
150
510
519
180
410
360
17
MCW 2800
254
159
370
300
180
850
318
565
235
25
15
254
182
579
546
207
440
380
20