ROV Spring Release Shackle Green Pin® P-5367

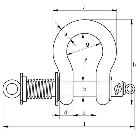
The Green Pin® Spring Release ROV Shackle is a grade 8 shackle developed specifically for (subsea) release operations with a remotely operated vehicle (ROV). The shackle has a specially designed quick release system that can be manipulated easily by a hydraulically operated ROV arm, without compr

Show more

Part code:

The Green Pin® Spring Release ROV Shackle is a grade 8 shackle developed specifically for (subsea) release operations with a remotely operated vehicle (ROV). The shackle has a specially designed quick release system that can be manipulated easily by a hydraulically operated ROV arm, without compromising safety. By activating the spring the shackle is disassembled quickly and safely. The Green Pin® Spring Release ROV Shackle is also suitable for use in extremely low temperatures (down to -60 °C / -76°F). Assembly of the shackle can be done by hand for the smaller sizes. A compression tool (sold separately) should be used for sizes with a working load limit of 42.5 ton and up. Of course, the Green Pin® Spring Release ROV Shackle conforms to a wide range of certifications. The Green Pin® Spring Release ROV Shackle is available in a range with a working load limit from 12 up to 150 ton.

Certification on request: 2.1, 2.2, 3.1, MTCa, LROS

  • Material: Bow and pin alloy steel
  • Marking: CE-marked
  • Temperature range: -40°C up to +200°C
  • Finish: Bow white painted, pin green painted
  • Note: For in-line use only.This shackle is assembled with wire rope slings and a monkey's fist.For size starting from WLL 42.5 up to and including 150 t a special compression tool (sold separately) is required to assemble the shackle.
  • Safety factor: 5:1
  • Grade: 8